 
            199 - Single-lugged Bracket (Self Colour)
Often used for mounting boards practically flush with tubes. Fixing holes suit a wide range of common mechanical and chemical masonry anchors which we should be pleased to quote for on request. The tube cannot be joined within the fitting.
Please note that these fittings are bare metal and will be naturally prone to rusting unless a protective coating such as a lacquer is applied.
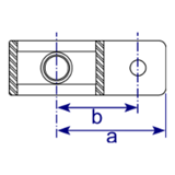
Product Data & Dimensions
| Size | a (mm) | b (mm) | Weight (kg) | Box Qty* | 
| B34 | 60 | 43 | 0.24 | 192 | 
* Fittings are sold individually and do not need to be bought in box quantities. Box quantities may be subject to change without prior notice.
Figures given as guidance only, dimensions and weights are subject to manfacturing tolerances and may be altered without prior notice.
Do not perform any pre-drilling, tube cutting, casting uprights or any other dimensionally critical processes prior to receiving fittings.
 
                     Easy to Order
                            Easy to Order  
                             
            